JBCS

4:37, Wed Nov 19

Open Access/APCs

First slide
Second slide
Third slide
Third slide
Fifth slide
Sixth slide

vol. 25, No. 11, 2014, p. 1927-2132

 

Journal of the Brazilian Chemical Society: 25 anos de sucesso

Há 25 anos, ao lançar o Journal of the Brazilian Chemical Society - JBCS, a Sociedade Brasileira de Química imprimia um salto de qualidade à química brasileira. Idealizada em todos os seus detalhes pelo Professor Eduardo Motta Alves Peixoto,1 seu primeiro editor, a revista já nasceu vitoriosa. Editada em inglês com o objetivo de divulgar a química feita no país, o segredo do sucesso do JBCS foi sempre a originalidade, uma de suas marcas até hoje.
Ao fazer uma retrospectiva do histórico da revista, fica muito claro que nao embarcar na cópia de modelos prontos e acabados foi uma estratégia acertada de todos aqueles que foram editores da revista. Contam-se nos dedos os exemplos de periódicos brasileiros com a qualidade e o sucesso do JBCS.2,3

(Read more at Editorial)


Cover Article
J. Braz. Chem. Soc. 2014, 25(11), 2007-2015

Photolytic Degradation of Chloramphenicol in Different Aqueous Matrices Using Artificial and Solar Radiation: Reaction Kinetics and Initial Transformation Products

Alam G. Trovó; Vinicius A. B. Paiva; Batuira M. Costa Filho; Antonio E. H. Machado; Carlos A. Oliveira; Renata O. Santos; Daniela Daniel

How to cite this article

Photolysis can be considered the main process of elimination of antibiotics in surface waters. The photodegradation efficiency depends on conditions such as temperature, pH, composition of matrix, radiation source, latitude, etc. So, the knowledge of the photodegradation pathways, kinetics, acute toxicity, transformation products and antimicrobial activity is essential to predict the behavior and the environmental impact of these pollutants in natural waters. Details are presented in the Article Photolytic Degradation of Chloramphenicol in Different Aqueous Matrices Using Artificial and Solar Radiation: Reaction Kinetics and Initial Transformation Products by Alam G. Trovó, Vinicius A. B. de Paiva, Batuira M. da Costa Filho, Antonio E. H. Machado, Carlos A. de Oliveira, Renata O. Santos, Daniela Daniel on page 2007.

https://dx.doi.org/10.5935/0103-5053.20140185

Published online: August  8, 2014
Share PDF

Total access: 3701


Editorial J. Braz. Chem. Soc. 2014, 25(11), 1927

Journal of the Brazilian Chemical Society: 25 years of success

Angelo C. Pinto

How to cite this article

 

https://dx.doi.org/10.5935/0103-5053.20140250

Total access: 1654


Articles J. Braz. Chem. Soc. 2014, 25(11), 1929-1938

Spectroscopic and Chromatographic Fingerprint Analysis of Composition Variations in Coffea arabica Leaves Subject to Different Light Conditions and Plant Phenophases

Fernanda Delaroza; Miroslava Rakocevic; Galileu Bernardes Malta; Roy Edward Bruns; Ieda Spacino Scarminio

How to cite this article

 

High-performance liquid chromatography with UV diode array detector (HPLC-UV-DAD) provides quantitative information for planning more detailed analysis. Coffea arabica leaves exposed to sun have higher caffeine contents than shaded ones. Coffea arabica leaves suffer more ecological stress exposed to sun than in shade. Light conditions have very different effects on Coffea arabica and yerba mate leaves. Lipid contents are higher in shaded leaves than those exposed to the sun.

https://dx.doi.org/10.5935/0103-5053.20140172

Published online: July 29, 2014

 

Share PDF

Total access: 1946


J. Braz. Chem. Soc. 2014, 25(11), 1939-1947

Synthesis and Characterization of Carboxyl-Substituted Polyanilines Doped with Halogenated Acids: Combining Conductivity with Solubility

Denice S. Vicentini; Rodrigo V. Salvatierra; Aldo J. G. Zarbin; Luiz G. Dutra; Marcus M. Sá

How to cite this article

 

Copolymers of aniline with 2-substituted anilines bearing a variety of carboxyl groups were synthesized and characterized by several techniques. Some of the synthesized copolymers show moderate-to-high solubility in a diverse set of solvents and good-to-excellent conductivity.

https://dx.doi.org/10.5935/0103-5053.20140173

Published online: July 29, 2014

 

Share PDF

Total access: 2021


J. Braz. Chem. Soc. 2014, 25(11), 1948-1955

Chemometric Approach in Studying of the Retention Behavior and Lipophilicity of Potentially Biologically Active N-Substituted-2-phenylacetamide Derivatives

Gyöngyi Gy. Vastag; Suzana Lj. Apostolov; Borko M. Matijević; Aleksandar D. Marinković

How to cite this article

 

Chromatographic retention parameter of the investigated N-substituted-2-phenylacetamide derivatives obtained by reversed phase thin-layer chromatography (RP-TLC) could be used for the description of their lipophilicity and the chemometric methods used are able to reduce the dimensionality of the data and create a connection between large numbers of data obtained in different ways.

https://dx.doi.org/10.5935/0103-5053.20140174

Published online: July 29, 2014

 

Share PDF

Total access: 1732


J. Braz. Chem. Soc. 2014, 25(11), 1956-1964

Antioxidant Activities and Phenolic Compounds of Cornhusk, Corncob and Stigma Maydis

Jianwei Dong; Le Cai; Xiufang Zhu; Xing Huang; Tianpeng Yin; Haixian Fang; Zhongtao Ding

How to cite this article

 

The total phenolic contents, total flavonoid contents, total ketosteroid contents, antioxidant activities, and phenolic composition of cornhusk, corncob, and stigma maydis were evaluated.

https://dx.doi.org/10.5935/0103-5053.20140177

Published online: August 1, 2014

 

Share PDF   Supplementary Information 

Total access: 3409


J. Braz. Chem. Soc. 2014, 25(11), 1965-1974

Electrophilic Substitution of Dimethyl 1-Methylcarbazole-2,3-dicarboxylate: Synthesis of New b-Fused Carbazoles as Potential Antitumor Agents

Norbert Haider; Brigitte Marian; Thomas Nagel; Markus Tarnai; Katharina Tropper

How to cite this article

 

1-Methylcarbazole-2,3-dicarboxylic acid dimethyl ester, a key intermediate in the synthesis of b-fused carbazoles can be selectively brominated or nitrated at position 6. Subsequent annulation of a pyridazine or pyrrole ring with basic side chains gives new compounds with cytotoxic activity against human tumor cells.

https://dx.doi.org/10.5935/0103-5053.20140178

Published online: August 1, 2014

 

Share PDF   Supplementary Information 

Total access: 2927


J. Braz. Chem. Soc. 2014, 25(11), 1975-1983

Cold Vapor Atomic Absorption Spectrometric Determination of Cadmium after Solid Phase Extraction on Modified TiO2 Nanoparticles

Reza Hafezi Moghaddam; Ali Mohammad Haji Shabani; Shayessteh Dadfarnia; Neda Baghban

How to cite this article

 

A solid phase extraction method using cadion immobilized on sodium dodecyl sulfate-coated TiO2 nanoparticles combined with cold vapor atomic absorption spectrometry has been proposed for the separation, preconcentration and determination of cadmium.

https://dx.doi.org/10.5935/0103-5053.20140179

Published online: August 1, 2014

 

Share PDF

Total access: 1822


J. Braz. Chem. Soc. 2014, 25(11), 1984-1992

Kinetic and Thermodynamic Parameters of Biodiesel Oxidation with Synthetic Antioxidants: Simplex Centroid Mixture Design

Dionisio Borsato; Diego Galvan; Jaqueline L. Pereira; Juliane R. Orives; Karina G. Angilelli; Rodolfo L. Coppo

How to cite this article

 

The response surface demonstrates that mixtures containing the antioxidants tert-butylhydroquinone (TBHQ) and propylgallate (PG) provide activation energy (Ea, for biodiesel oxidation reaction) greater than 160 kJ mol-1.

https://dx.doi.org/10.5935/0103-5053.20140182

Published online: August 5, 2014

 

Share PDF

Total access: 2007


J. Braz. Chem. Soc. 2014, 25(11), 1993-1999

Evaluation of the Bioaccessability of Ca, Fe, Mg and Mn in Ground Coffee Infusions by in vitro Gastrointestinal Digestion

Ewelina Stelmach; Pawel Pohl; Anna Szymczycha-Madeja

How to cite this article

 

Bioaccessibility of Ca, Mg, Mn and Fe in ground coffee brews was assessed using in vitro gastrointestinal digestion. Among studied metals, Mg was the most bioaccessible (62%). The bioaccessibilities of Ca (42%) and Fe (43%) were similar but individual results for both metals varied widely. The least bioaccessible metal was Mn.

https://dx.doi.org/10.5935/0103-5053.20140183

Published online: August 5, 2014

 

Share PDF

Total access: 2089


J. Braz. Chem. Soc. 2014, 25(11), 2000-2006

Simultaneous Degradation of Hexazinone and Diuron Herbicides by H2O2/UV and Toxicity Assessment

Alysson S. Martins; Tanare C. R. Ferreira; Renato L. Carneiro; Marcos R. V. Lanza

How to cite this article

 

The central composite design done for simultaneous degradation of diuron (DR) and hexazinone (HX) via H2O2/UV showed that the H2O2 concentration is more influential than pH. The optimum degradation conditions provided a total organic carbon removing of 96.4% and the reduction in toxicity.

https://dx.doi.org/10.5935/0103-5053.20140184

Published online: August 8, 2014

 

Share PDF

Total access: 1906


J. Braz. Chem. Soc. 2014, 25(11), 2007-2015

Photolytic Degradation of Chloramphenicol in Different Aqueous Matrices Using Artificial and Solar Radiation: Reaction Kinetics and Initial Transformation Products

Alam G. Trovó; Vinicius A. B. Paiva; Batuira M. Costa Filho; Antonio E. H. Machado; Carlos A. Oliveira; Renata O. Santos; Daniela Daniel

How to cite this article

 

The photodegradation of chloramphenicol (CAP) in different aqueous media using solar and artificial irradiation was evaluated, being determined the reaction kinetics and initial transformation products.

https://dx.doi.org/10.5935/0103-5053.20140185

Published online: August 8, 2014

 

Share PDF

Total access: 3701


J. Braz. Chem. Soc. 2014, 25(11), 2016-2025

Single Drop Microextraction: a Sensitive Multiresidue Method for Determination of Pesticides in Water Using GC/ECD

Carlos E. S. Soares; Antônio A. Neves; Maria E. L. R. de Queiroz; André F. Oliveira; Anna I. G. Costa; Roberta C. Assis; Carlos E. O. Andrade

How to cite this article

 

The extraction of analytes by single drop microextraction (SDME) is not exaustive and the amount extracted is dependent on the contact time. Migration of analytes (pesticides) of the aqueous phase to the organic phase followed by diffusion kinetics model Noyes-Whitney.

https://dx.doi.org/10.5935/0103-5053.20140186

Published online: August 8, 2014

 

Share PDF

Total access: 1822


J. Braz. Chem. Soc. 2014, 25(11), 2026-2031

Synthesis and Structure-Activity Relationship of a WO3 Catalyst for the Total Oxidation of BTX

Rosana Balzer; Valderez Drago; Wido H. Schreiner; Luiz F. D. Probst

How to cite this article

 

Catalytic oxidation of benzene, toluene and xylene (BTX), to CO2 and H2O promoted by WO3 catalyst.

https://dx.doi.org/10.5935/0103-5053.20140187

Published online: August 8, 2014

 

Share PDF

Total access: 1955


J. Braz. Chem. Soc. 2014, 25(11), 2032-2038

A Green Approach for the Determination of Selected Anti-Diabetic Drugs in Pharmaceutical Formulation by Transmission FTIR Spectroscopy

Faiza Fahim; Ayesha Naseer; Shakil Ahmed; Syed Tufail H. Sherazi; Muhammad I. Bhanger

How to cite this article

 

A simple, rapid, inexpensive, direct and green FTIR methods for the analysis of two antidiabetic drugs. Such methods have a strong potential to replace classical methods in quality assurance/quality control (QA/QC) in pharmaceutical preparations.

https://dx.doi.org/10.5935/0103-5053.20140188

Published online: August 12, 2014

 

Share PDF

Total access: 1854


J. Braz. Chem. Soc. 2014, 25(11), 2039-2047

Synthesis and Application of Magnetic Nanoparticle Supported Ephedrine as a New Sorbent for Preconcentration of Trace Amounts of Pb and Cu in Water Samples

Somayeh Mohammadi; Gholamreza Khayatian; Bahareh Atashkar; Amin Rostami

How to cite this article

 

A new magnetic iron oxide nanoparticle for extraction and determination of lead and copper ions from water samples was synthesized and characterized with different techniques. This adsorbent has not been used before for the separation and preconcentration of trace amount of metal ions.

https://dx.doi.org/10.5935/0103-5053.20140189

Published online: August 12, 2014

 

Share PDF

Total access: 1665


J. Braz. Chem. Soc. 2014, 25(11), 2048-2053

Preconcentration and Determination of Organochlorine Pesticides in Seawater Samples Using Polyaniline/Polypyrrole-Cellulose Nanocomposite-Based Solid Phase Extraction and Gas Chromatography-Electron Capture Detection

Ali Mehdinia

How to cite this article

 

Aniline and pyrrole monomers were added onto a filter paper, and then oxidant was added to the mixture. During the polymerization of aniline and pyrrole, they penetrated into the cellulose structure of the filter paper and it changed to a black color. Thus, a nanocomposite of PANI/PPY-cellulose was made and used as a solid phase extraction sorbent.

https://dx.doi.org/10.5935/0103-5053.20140190

Published online: August 12, 2014

 

Share PDF

Total access: 1613


J. Braz. Chem. Soc. 2014, 25(11), 2054-2062

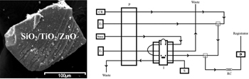
Analytical Performance of New Mixed Oxide (SiO2/TiO2/ZnO)-Based Sorbent for Development of a Reliable Mechanized Enrichment System for Copper Determination in Water and Food Samples

César R. T. Tarley; Thiago M. Rodrigues; Felipe A. Gorla; Talitha O. Germiniano; Joao C. Alves; Camila S. Inagaki; Vitor H. Paschoal; Antônio A. S. Alfaya; Mariana G. Segatelli

How to cite this article

 

A new mixed oxide (SiO2/TiO2/ZnO)-based sorbent was evaluated for copper preconcentration and determination in water and food samples. The sorbent presents high reusability and proposed preconcentration method shows satisfactory sample consumption and limit of detection.

https://dx.doi.org/10.5935/0103-5053.20140191

Published online: August 15, 2014

 

Share PDF

Total access: 1731


J. Braz. Chem. Soc. 2014, 25(11), 2063-2072

Flame Atomic Absorption Spectrometric Determination of Pb(II) and Cd(II) in Natural Samples After Column Graphene Oxide-Based Solid Phase Extraction Using 4-Acetamidothiophenol

Mohammad R. Pourjavid; Masoud Arabieh; Ali A. Sehat; Mohammad Rezaee; Majid H. Hosseini; Seyed R. Yousefi; Mohammad R. Jamali

How to cite this article

 

SPE-FAAS system was used for preconcentration and determination of Pb(II) and Cd(II) ions by synthesized graphene oxide and 4-acetamidothiophenol as adsorbent and chelating reagent, respectively.

https://dx.doi.org/10.5935/0103-5053.20140193

Published online: August 19, 2014

 

Share PDF

Total access: 1915


J. Braz. Chem. Soc. 2014, 25(11), 2073-2079

Diaquabis(L-phenylalaninato)nickel(II) Encapsulated in Zeolite: An Efficient Heterogeneous Catalyst System for the Oxidation of Cyclohexene, Toluene and Ethyl Benzene

Massomeh Ghorbanloo; Somayeh Ghamari; Nahid Shahbakhsh; Seik Weng Ng

How to cite this article

 

Diaquabis(L-phenylalaninato)nickel, when encapsulated in zeolite, exhibited high catalytic activity and selectivity when cyclohexene, ethyl benzene and toluene were oxidized by hydrogen peroxide.

https://dx.doi.org/10.5935/0103-5053.20140194

Published online: August 19, 2014

 

Share PDF   Supplementary Information 

Total access: 2862


J. Braz. Chem. Soc. 2014, 25(11), 2080-2087

Novel Luminescent Eu3+-Indandionate Complexes Containing Heterobiaryl Ligands

Joao B. M. Resende Filho; Jannine C. Silva; Juliana A. Vale; Hermi F. Brito; Wagner M. Faustino; José G. P. Espínola; Maria C. F. C. Felinto; Ercules E. S. Teotonio

How to cite this article

 

Novel Eu3+-indandionate complexes containing 1,10-phenanthroline and 4,7-dimethyl-1,10-phenanthroline as neutral ligands have been reported. The luminescent and structural properties of these compounds have been investigated using experimental and theoretical methods.

https://dx.doi.org/10.5935/0103-5053.20140197

Published online: August 26, 2014

 

Share PDF   Supplementary Information 

Total access: 2987


J. Braz. Chem. Soc. 2014, 25(11), 2088-2093

Synthesis of 1,2,3-Triazolium-Based Ionic Liquid and Preliminary Pretreatment to Enhance Hydrolysis of Sugarcane Bagasse

Arturene M. L. Carmo; Pedro H. F. Stroppa; Roberta C. N. R. Corrales; Anna B. N. Barroso; Viridiana S. Ferreira-Leitao; Adilson D. Silva

How to cite this article

 

Sugarcane bagasse was pretreated with three novel chemically inert 1,2,3-triazolium-based ILs and the effect of pretreatment on lignocellulosic biomass showed that the pretreatment promoted structural changes in the fiber increasing the surface exposure of the bagasse samples.

https://dx.doi.org/10.5935/0103-5053.20140198

Published online: August 26, 2014

 

Share PDF   Supplementary Information 

Total access: 3186


J. Braz. Chem. Soc. 2014, 25(11), 2094-2101

LC-PDA and LC-MS Studies of Donepezil Hydrochloride Degradation Behaviour in Forced Stress Conditions

André L. M. Ruela; Mariane G. Santos; Eduardo C. Figueiredo; Gislaine R. Pereira

How to cite this article

 

LC-MS and LC-PDA were employed to appraise the intrinsic stability of donepezil. The drug and their degradation products were separated and detected after forced degradation studies.

https://dx.doi.org/10.5935/0103-5053.20140199

Published online: August 29, 2014

 

Share PDF

Total access: 1833


J. Braz. Chem. Soc. 2014, 25(11), 2102-2107

Decomposition of Five Phenolic Compounds in High Temperature Water

Yan Cheng; Qingzhong Xu; Jing Liu; Changsheng Zhao; Fumin Xue; Yuzhong Zhao

How to cite this article

 

The decomposition of three phenolic acid compounds (salvianic acid A, protocatechuic acid and ferulaic acid) increased with rising temperature and the acids became less stable with longer heating time. Reaction temperature and time showed relatively little effect on the decomposition of catechol and protocatechualdehyde.

https://dx.doi.org/10.5935/0103-5053.20140201

Published online: August 29, 2014

 

Share PDF   Supplementary Information 

Total access: 2974


J. Braz. Chem. Soc. 2014, 25(11), 2108-2120

Plumeran Alkaloids and Glycosides from the Seeds of Aspidosperma pyrifolium Mart.

Patrícia C. N. Nogueira; Renata M. Araújo; Glauce S. B. Viana; Dayane P. de Araújo; Raimundo Braz Filho; Edilberto R. Silveira

How to cite this article

 

An unknown compound, in addition to seven known alkaloids and three glycosides from the ethanol extract of seeds of Aspidosperma pyrifolium are reported. The nuclear magnetic resonance data assignments of several alkaloids reported in the literature are suggested to be revised, and the antinociceptive and anti-inflammatory activities are presented.

https://dx.doi.org/10.5935/0103-5053.20140204

Published online: September 2, 2014

 

Share PDF   Supplementary Information 

Total access: 3070


Short Report J. Braz. Chem. Soc. 2014, 25(11), 2121-2124

Phenolic Compounds from Clinopodium tomentosum (Kunth) Govaerts (Lamiaceae)

Mariela Beatriz Vera Saltos; Blanca Fabiola Naranjo Puente; Nicola Malafronte; Alessandra Braca

How to cite this article

 

Phytochemical investigation of the leaf extracts of Clinopodium tomentosum (Lamiaceae) allowed the isolation of one new tartaric acid derivative, together with twelve known compounds.

https://dx.doi.org/10.5935/0103-5053.20140181

Published online: August 5, 2014

 

Share PDF   Supplementary Information 

Total access: 3058


J. Braz. Chem. Soc. 2014, 25(11), 2125-2132

Palladium- and Copper-Catalyzed Highly Selective Mono-Coupling Between 2,6-Diiodoanisoles and Terminal Alkynes in the Production of Alkynylated Anisoles as Potential Precursors of Benzo[b]furans

Allan F. C. Rossini; Carlise Frota; Gleison A. Casagrande; Lucas Pizzuti; Cristiano Raminelli

How to cite this article

 

Palladium- and copper-catalyzed highly selective mono-coupling between 2,6-diiodoanisoles and terminal alkynes has provided alkynylated 2-iodoanisoles as useful building blocks with potential application in the synthesis of functionalized benzo[b]furans.

https://dx.doi.org/10.5935/0103-5053.20140200

Published online: August 29, 2014

 

Share PDF   Supplementary Information 

Total access: 2932

Online version ISSN 1678-4790 Printed version ISSN 0103-5053
Journal of the Brazilian Chemical Society
JBCS Editorial and Publishing Office
University of Campinas - UNICAMP
13083-970 Campinas-SP, Brazil

Free access

GN1